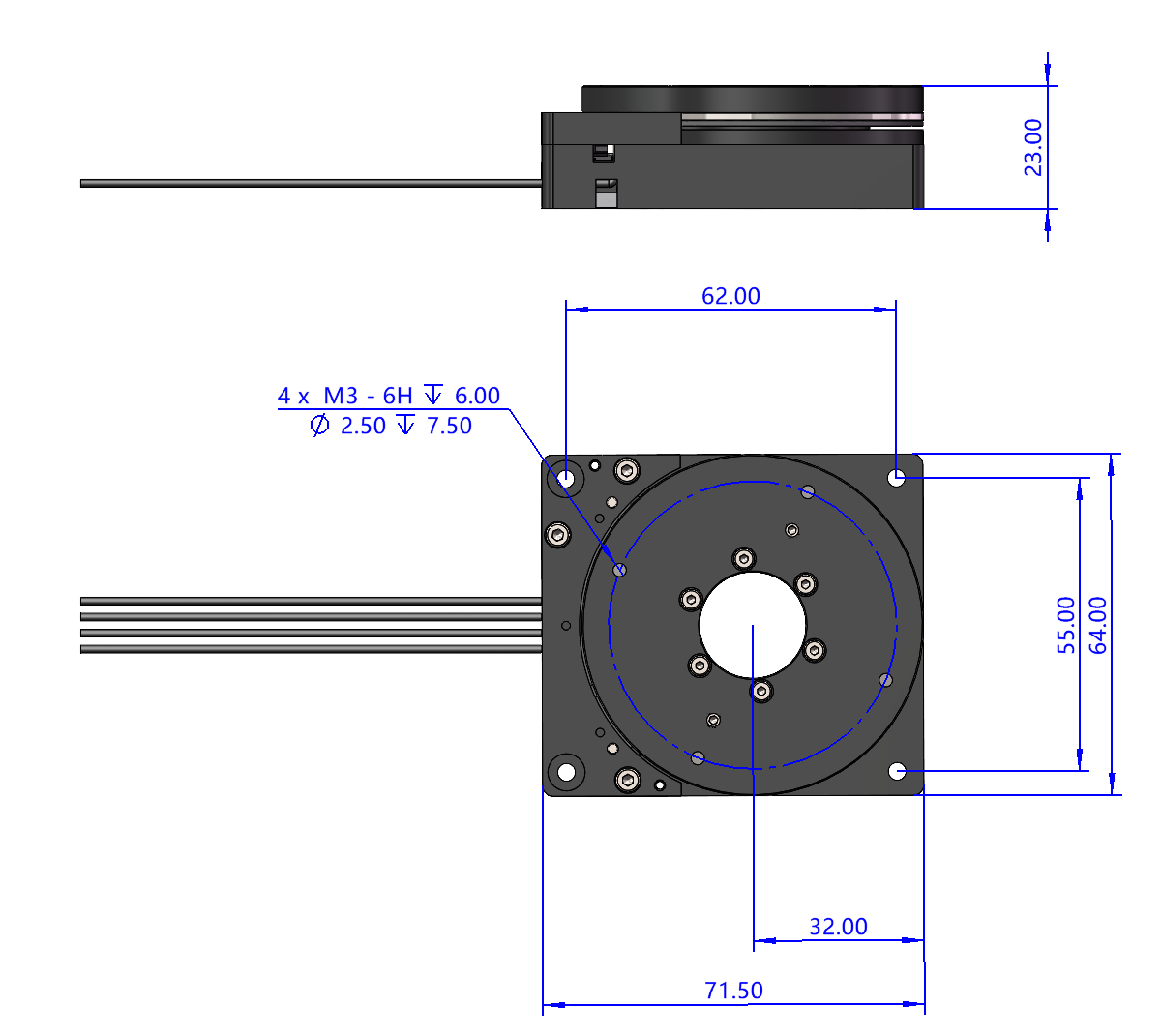
S-ECDR-60微型旋转台

带有绝对式光栅的微型旋转台,超小体积360度旋转,力矩电机集成20位绝对式光栅,最小运动量10sec。
应用于光学对准,精密自动化领域。

技术参数

项目|参数

参数

电机类型推力

直驱电机

分辨率

20位绝对值编码器,单圈1,048,576脉冲

1.23sec分辨率

行程

360deg 连续

扭矩

额定0.07Nm 峰值0.3Nm

重复定位精度

≤±5sec

最小步长

10sec

端面跳动

≤±5um

最大速度

≥300rpm

最大负载

≥1.5kg

结构件材质及表面处理

铝合金硬质阳极氧化


有什么问题吗?请联系我们!
有什么问题吗?请联系我们!