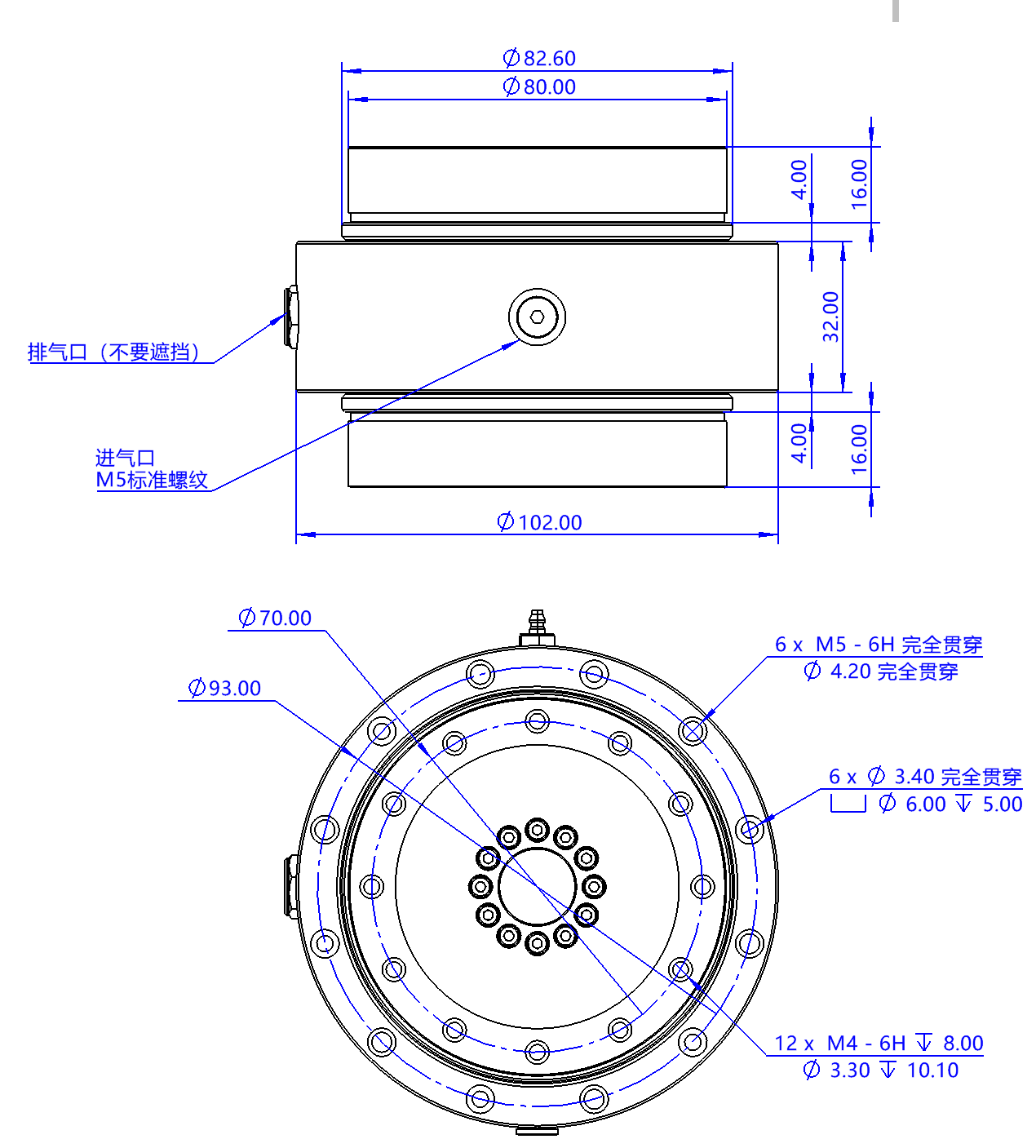
S-AB-R旋转气浮轴承

S-AB-R80系列是气浮轴承,无摩擦,优异的径跳和端跳能力,适用于微小步距或者需要超精确旋转定位的应用场景。是精密光学调试、安装、加工非常优秀的应用选择。
● 气浮轴承100nm轴跳,端跳
● 使用中安静平稳、噪音极低
● 有非常高的精度表现水平

技术参数

S-AB-R80



静止状态

工作状态

最小负载

径向

190N

95N

轴向

500N

250N

翻转

10Nm

5Nm

最小刚性

径向

60N/um

轴向

175N/um

翻转

0.12Nm/urad

同步运动误差

径向

100nm

轴向

100nm

翻转

1urad

质量

整体

3200g

转子

1300g

转动惯量

0.0009kg·m2

最大转速

15,000rpm

最大耗气量

20SLPM


有什么问题吗?请联系我们!
有什么问题吗?请联系我们!