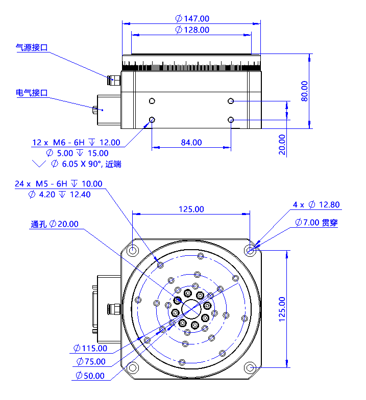
S-ABRX-M150气浮旋转台

S-ABRX-M150 系列是使用直驱旋转电机和空气轴承,无摩擦,使用圆光栅做为检测反馈,达到优异转台台面跳动及旋转精度。
适用于微小步距或者需要超精确旋转定位的应用场景。是精密光学调试、安装、加工非常优秀的应用选择。应用领域:断层扫描、束线系统、晶圆计量、晶圆检验、测量技术、检验系统、校准、扫描。
● 气浮轴承100nm轴跳,端跳,直驱电机高精度转角运动
● 使用中安静平稳、噪音极低
● 有非常高的精度表现水平

技术参数

规格

参数

电机扭矩

0.32Nm额定 1.2Nm峰值

最大转速

1000rpm

编码器线数

7200line

编码器分辨率

0.45sec(数字量对应0.1um,可选1Vpp更高分辨率)

重复定位精度

≤±1sec

轴向最大负载(5bar)

800N

径向最大负载(5bar)

200N

轴向最大刚性(5bar)

320N/um

径向最大刚性(5bar)

85N/um

轴向最大跳动*

<100nm

径向最大跳动*

<100nm

综合耗气量

18NL/min


有什么问题吗?请联系我们!
有什么问题吗?请联系我们!