TRI-VM-R5系列并联运动平台

TRI-VM-R5
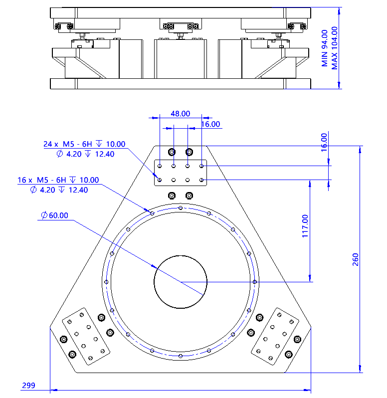
可在紧凑而坚固的平台中提供一致且可靠的运动精度,可实现Z轴位移和两轴角度的调整,调平具有超精细的定位分辨率、充足的有效载荷能力
成为在可用空间有限时需要复杂多自由度运动的应用的理想选择。

技术参数

规格

参数

Z轴最大行程

±5mm

Z轴分辨率

4.88nm

Z轴重复定位精度

±0.2um

位置稳定性

±20nm

最大速度

5mm/s

最大加速度

2m/s

θX/θY 最大行程

±2.5°

θ轴分辨率

0.15sec

θ轴重复定位精度

±1sec

最大速度

1°/s

最大加速度

20°/s^2

配重平衡方式

气动衡力平衡(最小气压0.1MPa 最大气压0.6MPa)

最大负载

20kg


有什么问题吗?请联系我们!
有什么问题吗?请联系我们!