S-TRI-VM-R1三轴并联调平平台

S-TRI-VM-R5
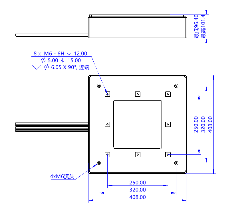
可在紧凑而坚固的平台中提供一致且可靠的运动精度,实现Z轴及两个角度的调节调平。
具有超精细的定位分辨率、充足的有效载荷能力
成为在可用空间有限时需要复杂多自由度运动的应用的理想选择。适用于半导体检测圆晶的调平。

技术参数

规格

参数

Z轴最大行程

±3mm

Z轴分辨率

4.88nm

Z轴重复定位精度

±0.1um

位置稳定性

±20nm

最大速度

5mm/s

最大加速度

2m/s

θX/θY 最大行程

±0.5°

θ轴分辨率

0.1sec

θ轴重复定位精度

±1sec

最大速度

25°/s

最大加速度

100°/s^2

配重平衡方式

气动衡力平衡(最小气压0.1MPa 最大气压0.6MPa)

最大负载

25kg


有什么问题吗?请联系我们!
有什么问题吗?请联系我们!