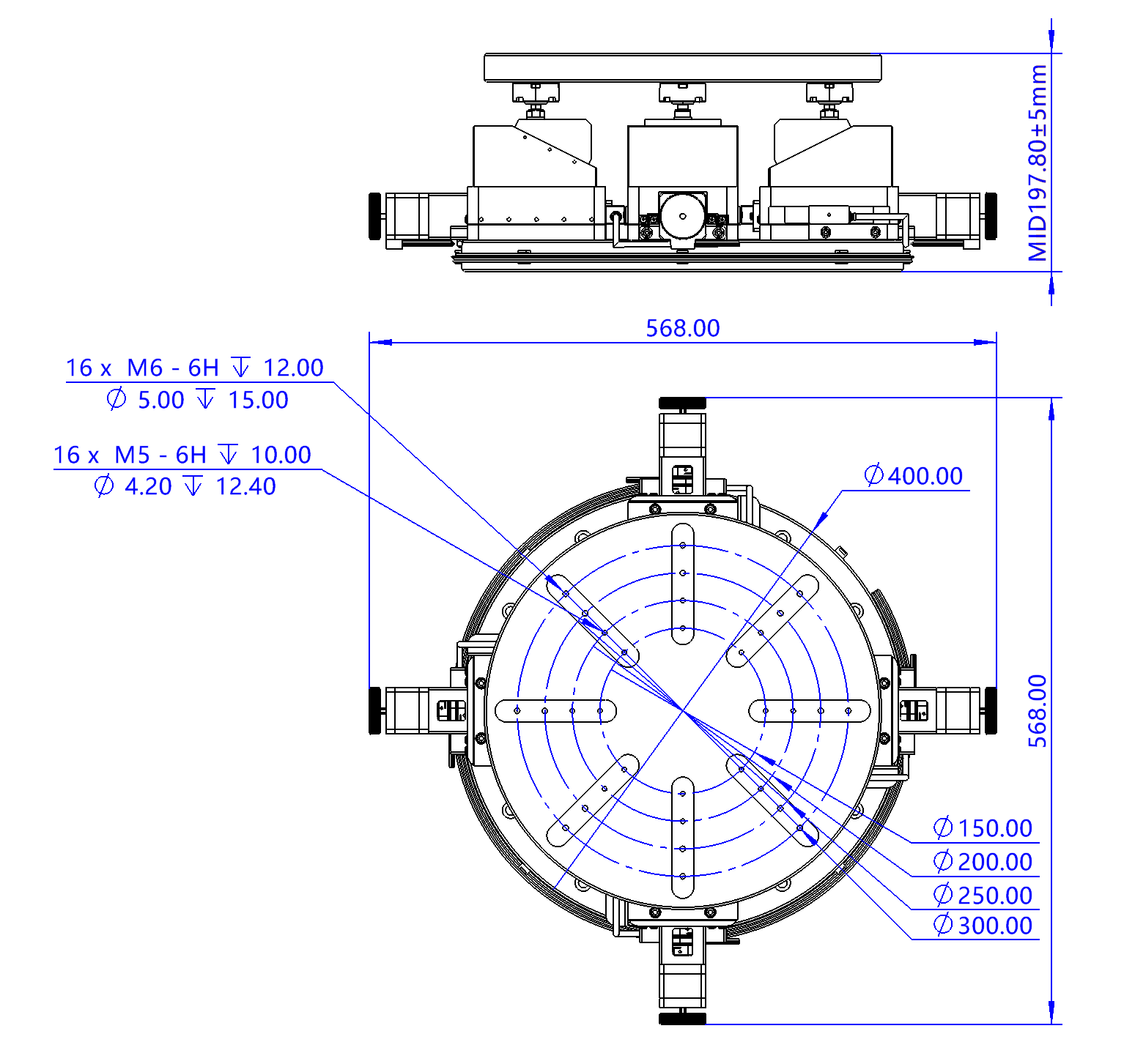
S-Quodropod四轴支撑调整升降台

S-Quodropod四点支撑角度调整升降台(大负载)
可定制,有真空及超高真空版本
通过四个升降轴驱动可调节θX/θY角度调节及Z轴降运动,光栅反馈,可带载60KG负载,用于静态的调平调节。可定制真空兼容版本。
应用于光学对准,同步辐射领域,精密自动化领域。

技术参数

规格

参数

Z轴最大行程

±5mm

Z轴光栅分辨率

5nm

Z轴重复定位精度

±0.1um

位置稳定性

±20nm

最大速度

10mm/s

最大加速度

2m/s

θX/θY 最大行程

±1°

θ轴分辨率

0.1sec

θ轴重复定位精度

±1sec

最大速度

25°/s

最大加速度

100°/s^2

最大负载

60kg


有什么问题吗?请联系我们!
有什么问题吗?请联系我们!