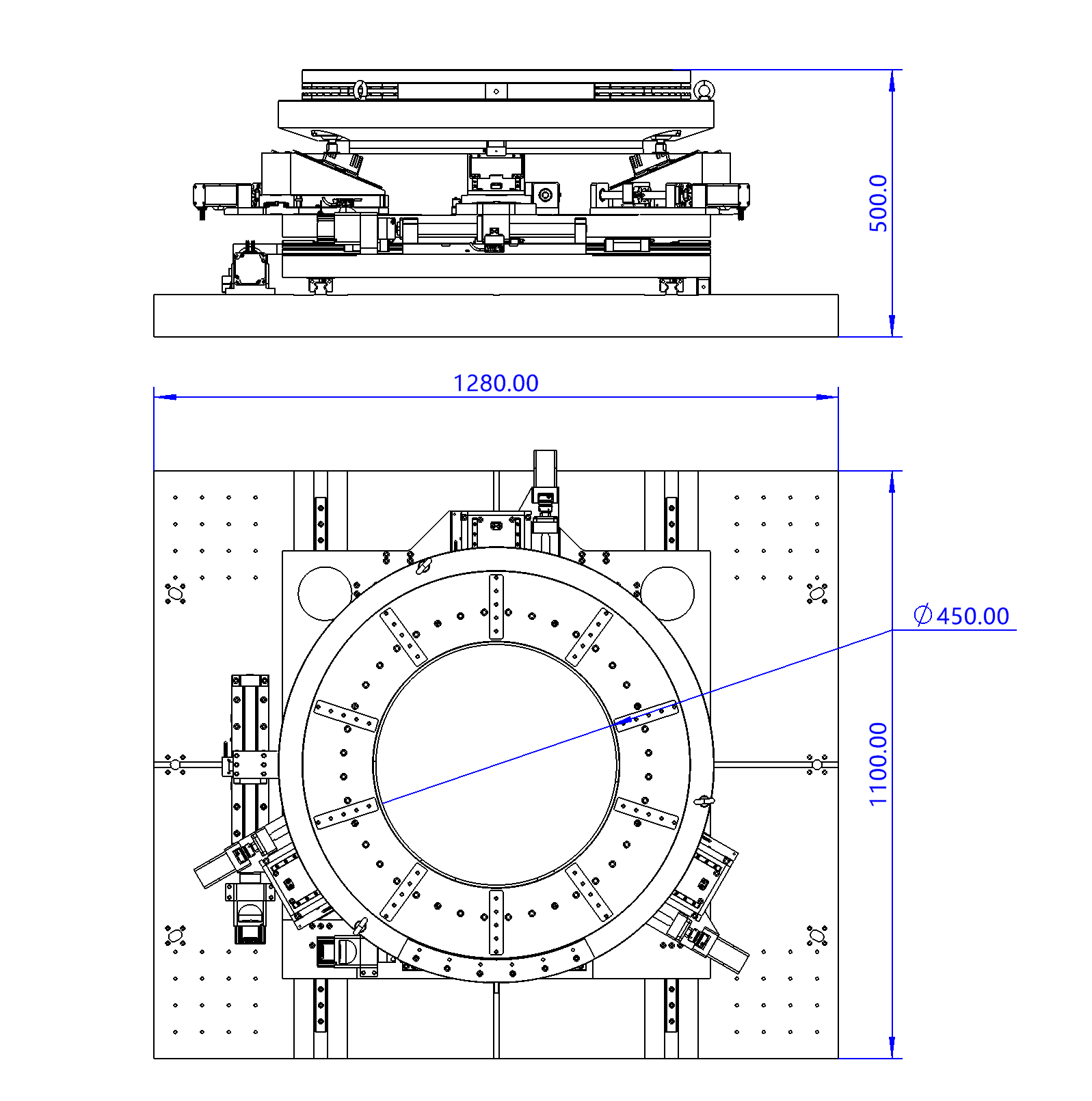
S-HEX-S6.50.200-XXX六自由度平台

串并联混合的TRIPOD结构,直线步进电机+丝杠+光栅反馈,可实现三个直线和三个旋转方向的六轴位移运动,带动光学负载实现六轴方向上的高精度的位移调节,本设计为大型中空光学检测使用

技术参数

规格

XY轴

θXθY轴

Z轴

θZ轴

有效行程

±100mm

±3deg

±25mm

360deg

电机类型

步进电机

步进电机

步进电机

直驱电机

光栅分辨率

4.88nm(1vpp)

4.88nm(1vpp)

4.88nm(1vpp)

0.04sec

最小步长

50nm

0.01ec

50nm

0.001sec

重复定位精度

±0.5um

±0.5sec

±0.3um

±0.1sec

定位精度

±1um

±2sec

±1um

±3sec

最大速度

100mm/s

30deg/sec

15mm/s

4rps

最大负载

水平负载300kg,垂直使用负载请联系厂家沟通

最大质量

整机重量750kg


有什么问题吗?请联系我们!
有什么问题吗?请联系我们!