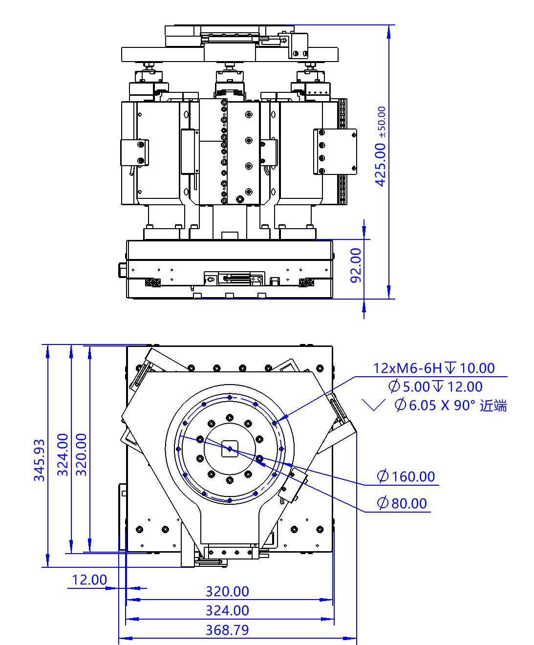
S-HEX-106.100.100-XXX六自由度位移台

串并联混合的TRIPOD结构,直线电机+光栅反馈,可实现三个直线和三个旋转方向的六轴位移运动,带动光学负载实现六轴方向上的高精度的位移调节,应用于光学检测,同步辐射,高精度自动化领域。

技术参数

规格

XY轴

θXθY轴

Z轴

θZ轴

有效行程

±50mm

±3deg

±50mm

±5deg

电机类型

直线电机

直线电机

直线电机

直驱电机

光栅分辨率

4.88nm(1vpp)

4.88nm(1vpp)

4.88nm(1vpp)

0.04sec

最小步长

100nm

0.3sec

100nm

0.1sec

重复定位精度

±0.2um

±1sec

±0.3um

±1sec

定位精度

±1um

-

±1um

±5sec

最大速度

100mm/s

30deg/sec

15mm/s

4rps

最大负载

水平负载10kg,垂直使用负载请联系厂家沟通

最大质量

整机重量20kg


有什么问题吗?请联系我们!
有什么问题吗?请联系我们!