1`S-LMT-XY直线电机运动平台

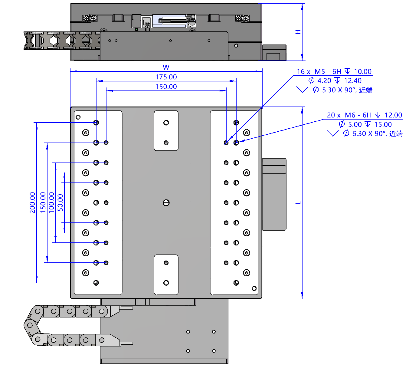
S-LMT-XY系列直线电机平台采用了交叉滚子导轨结合直线电机的方式,拥有传统机械导轨无法比拟的直线度及平面度,特别适用在对于微小步距或者需要超精确定位的应用场景。是精密光学调试、安装、加工非常优秀 的应用选择。该产品已经批量供应于国内光学检测客户。
● 直线导轨有非常好的平面度及直线度
● 有铁芯直线电机保证了足够的系统刚性及动态性能
● 使用中安静平稳、噪音极低
● 有非常高的精度表现水平

技术参数

参数 | 项目

S-LMT-XY-100X100

-200X200

-300X300

电机类型

三相无铁芯电机

光栅分辨率

50nm绝对值 或sin\cos 4.88nm(可选其它更高分辨率)

电机推力

持续40N/峰值90N

持续60N/峰值210N

持续

最小步长[nm]

10nm(增量5nm分辨率光栅以下,搭配nanopwm或者线性驱动器)

行程 [mm]

100x100

200x200

300x300

重复定位精度 [um]

±0.3

定位精度 [um]

±1

平面度 [um]

6um

8um

10um

直线度 [um]

1um

1.5um

2.5um

最大速度 [mm/s]

500mm/s

最大负载 [kg]

15kg

30kg

50kg


有什么问题吗?请联系我们!
有什么问题吗?请联系我们!