S-UMS130-X直线位移台

S-UMS130-X是一款非常成功能的高精度位移台使用高精度的交叉滚子导轨,实现高重复定位精度,结构紧凑,高稳定性。可适用于原子力显微镜AFM的超稳台使用。
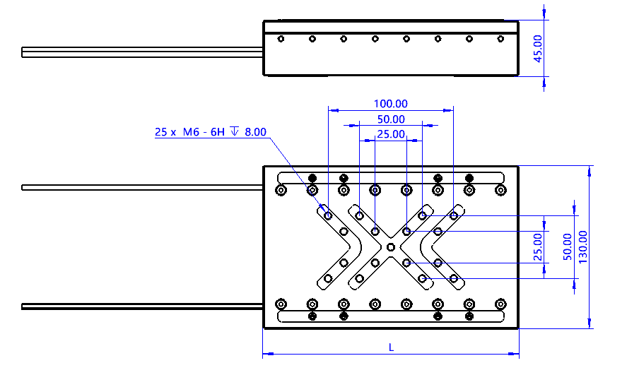
也可组装XY或XYZ三轴使用。
对于微小步距或者需要超精确定位的应用场景。是精密光学调试、安装、加工非常优秀的应用选择。完美替代进口产品。
● 直线导轨有非常好的平面度及直线度
● 直线电机保证了足够的系统刚性及动态性能
● 使用中安静平稳、噪音极低
● 有非常高的精度表现水平

技术参数

参数\型号

S-UMS130-60X

-110X

-160X

电机类型

三相无铁芯电机

光栅类型

增量式光栅0.1um(可选最高1nm光栅,绝对式选配)

电机推力

额定40N 峰值90N

加速度(空载)

3G

2.5G

2G

限位类型

机械、光电、软件(三重限位保护)

材质

铝合金6061-T6(可选不锈钢)

行程 mm

60

110

160

定位精度 um

±3um(校准±0.5um)

重复定位精度 um

±0.1um(±50nm 对应5nm以上光栅)

最大速度 mm/s

300mm/s

最大负载 kg

6

8

12


有什么问题吗?请联系我们!
有什么问题吗?请联系我们!